欢迎光临~上海乔枫
服务热线
全国客服热线:

188彩票 021-5438-5660

188彩票

喷雾干燥机原理

实验室用小型喷雾干燥机整个原理图

小型喷雾干燥机产品介绍:
      适用于高校、研究所和食品医药化工企业实验室生产微量颗粒粉末,对所有溶液如乳浊液、悬浮液具有广泛适用性, 适用于对热敏感性物的干燥如生物制品、生物农药、酶制剂等。因为所喷出的物料只是在喷成雾状时才受到高温且是快速受热,故这些活性材料在干燥后仍维持其活性成份不变。
      多种领域:饮料、香料和色素、牛奶和蛋制品、植物和蔬菜提取液、制药合成热敏物质塑料、聚合物和树脂、芳香剂、血制品、制陶和超导体生化制品、染料肥皂和洗涤剂、食品、黏合剂、氧化物、骨粉和牙粉等等。
小型喷雾干燥机主要特征:
      ●原装自产喷头,效率高。
      ●彩色大触摸屏操作,全自动控制和手动控制相结合,中英文面板,参数液晶显示。
      ●实时调控PID恒温控制技术,控温准确,加热控温精度±1℃。
      ●喷雾、烘干及收集装置采用透明优质耐高温高硼硅玻璃制造,整个喷雾干燥实验进程可视。
      ●二流体喷雾的雾化结构,高精度316不锈钢材料制造,喷粉的颗径呈正态分布,流动性好。
      ●射流器自动疏通(通针)且频率可调,在喷嘴被堵塞时,会自动清除以确保实验的连续性。
      ●进料量可通过进料蠕动泵调节。
      ●特有保护功能,风机不启动,加热器不能启动。
      ●内置进口全无油空压机,噪音小于50db。
      ●配备进风口过滤器,以确保样品纯净。
      ●干燥后的产品,颗粒度均匀,95%以上的干粉在同一颗粒度

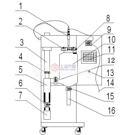
小型喷雾干燥机整个原理图:

小型喷雾干燥机原理解析图


图解:

      1、雾化器; 2、大卡箍; 3、尾气管; 4、锁紧螺母; 5、旋风分离器; 6、1 号卡箍;
      7、收集瓶;8、大卡箍; 9、蠕动泵; 10、干燥室; 11、触摸屏;12、2 号卡箍; 13、电源开关;
      14、进料管; 15、3 号卡箍; 16、收集管


联系我们

联系人:曹经理

188彩票 手机:17317246351

188彩票 电话:021-5438-5660

188彩票 邮箱:sales@qfn17.com

地址:上海市奉贤区肖南路468号